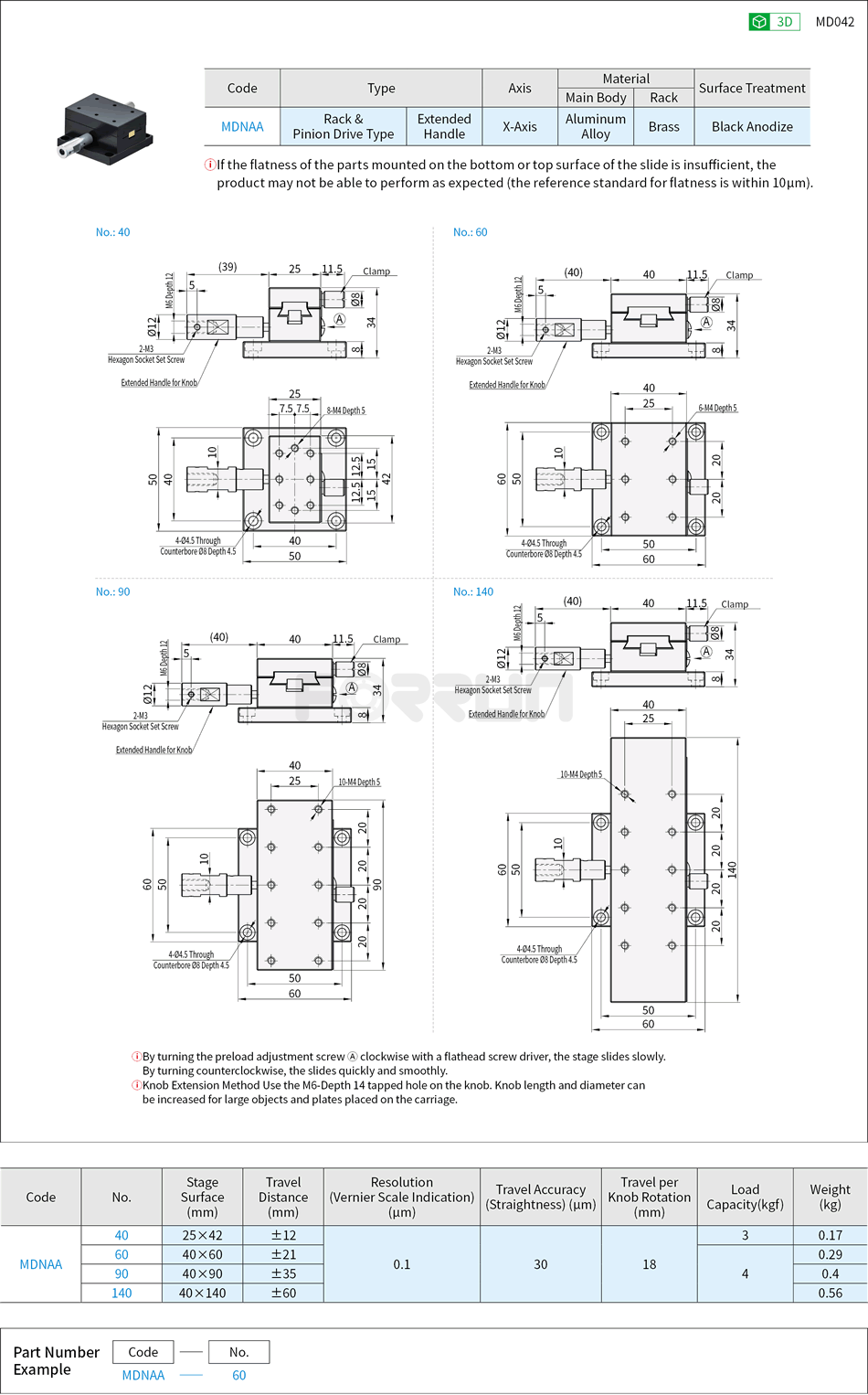
Forrun Mall provides you with product quotations, product parameters, product images, and other information for Manual X-Axis Stages - Dovetail Slide, Rack & Pinion, Extended Handle, High Accuracy. Welcome to consult and purchase!

Part Number:
The price is a small retail price, starting from 1 piece(s).