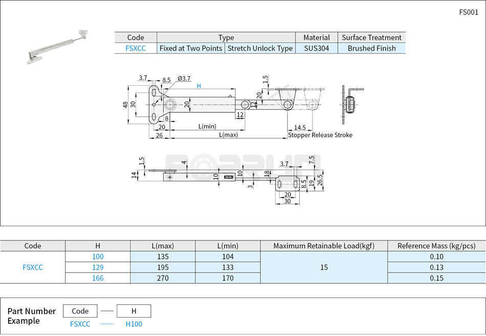
Forrun Mall provides you with product quotations, product parameters, product images, and other information for Canopy Stays - Stretch Unlock Type, Stainless Steel. Welcome to consult and purchase!

Part Number:
The price is a small retail price, starting from 1 piece(s).